Kérdés esetén keressen bennünket telefonon +3662549908 vagy info@caxtool.hu e-mail címen

Caxtool
Kategóriák
Caxtool
  • Kategóriák
    • Aluprofilok, gépépítő elemek, kötőelemek
    • Lineáris technika, tengelyek, profilsínek
    • Gumiáruk, élvédők
    • Csavarok
    • 3D nyomtató alkatrészek
    • Filament
    • 3D Nyomtatók
    • Elektronikai alkatrészek
    • Openbuilds V-slot
    • Lézergépek és alkatrészek
    • Elszívó és tisztító berendezések
  • Szállítás
  • Viszonteladóknak
  • Karrier
  • Blog,Tippek
LMEK8UU peremes lineáris csapágy
LMEK8UU peremes lineáris csapágy
2 976 Ft

(2 343 Ft + 27% ÁFA)

  1. Lineáris csapágy, csúszka
  1. Lineáris technika, tengelyek, profilsínek
  2. Lineáris csapágy, csúszka

LMEK8UU peremes lineáris csapágy

Cikkszám: 
MBNS03166
LMEK8UU peremes lineáris csapágy
2 976 Ft

(2 343 Ft + 27% ÁFA)

Cikkszám:
MBNS03166
Szállítási idő:
1-2 munkanap
Letölthető 3d modell:

Típus:
LMEK..UU
Belső átmérők:
8mm
Saját raktáron
11 db
Raktáron lévő termékeinket 1-2 munkanap alatt kézbesítjük!
Termék leírás

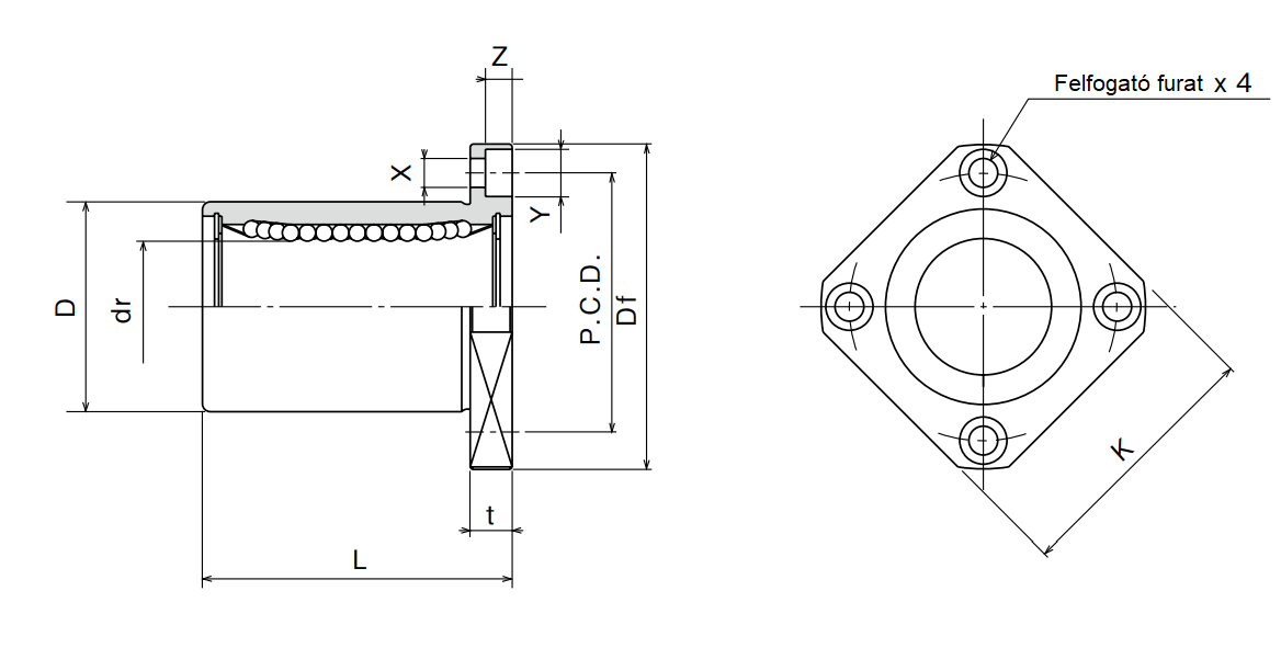
Specifikáció:
Típus: LMEK
Perem típusa: Négyzet peremes
Méretszabvány: ISO - Európai szabvány szerint
Hosszkivitel: Szimpla - Standard
d - Belső átmérő: 008 mm
Belső átmérő tűrése: +0,008/0 mm
D - Külső átmérő: 016 mm
Külső átmérő tűrése: 0/-0,008 mm
L - Teljes hossz: 025 mm
Teljes hossz tűrése: ±0,3 mm
Df - Perem átmérő: 32mm
K - Perem lapolás: 25 mm
t - Perem vastagság: 5 mm
PCD - Perem furatosztókör: 24 mm
Felfogató furat: 3,5 x 6 x 3,1 mm
Előfeszítés: Standard
Elrendezés: Standard
Excentricitás: 0.012 mm
Golyósorok száma: 4 db
Alkalmazhatósági hőmérséklet: -20 / +80 °C
Statikus terhelés: 00402 N
Dinamikus terhelés: 00265 N


Kiegészítő termékek
Hasonló termékek
Vásárlói fiók
  • Belépés
  • Regisztráció
  • Profilom
  • Kosár
  • Kedvenceim
Információk
  • Általános szerződési feltételek
  • Adatkezelési tájékoztató
  • Visszaküldési és Visszatérítési szabályzat
  • Fizetés
  • Szállítás
  • Elérhetőségek
  • Impresszum
  • Karrier
Caxtool Kft.
  • 6791 Szeged, Dorozsmai út 157.
  • +3662549908
  • info@caxtool.hu
  • youtube

Árukereső.hu
argep.hu
sixpayment
paypal
simplepay_hu_v2
  • Aluprofilok, gépépítő elemek, kötőelemek
  • Lineáris technika, tengelyek, profilsínek
  • Gumiáruk, élvédők
  • Csavarok
  • 3D nyomtató alkatrészek
  • Filament
  • 3D Nyomtatók
  • Elektronikai alkatrészek
  • Openbuilds V-slot
  • Lézergépek és alkatrészek
  • Elszívó és tisztító berendezések
  • Szállítás
  • Viszonteladóknak
  • Karrier
  • Blog,Tippek
Nyelv váltás
  • en
  • hu
  • ro
  • sk
  • si
  • at
  • de
  • cz
  • hr
  • pl
  • nl
  • fr
  • dk
  • it
  • ie
  • es
  • gr
  • pt
  • fi
  • mt
Pénznem váltás
Belépés
Regisztráció
Adatkezelési beállítások
Weboldalunk az alapvető működéshez szükséges cookie-kat használ. Szélesebb körű funkcionalitáshoz (marketing, statisztika, személyre szabás) egyéb cookie-kat engedélyezhet. Részletesebb információkat az Adatkezelési tájékoztatóban talál.
A működéshez szükséges cookie-k döntő fontosságúak a weboldal alapvető funkciói szempontjából, és a weboldal ezek nélkül nem fog megfelelően működni. Ezek a sütik nem tárolnak személyazonosításra alkalmas adatokat.
A marketing cookie-kat a látogatók weboldal-tevékenységének nyomon követésére használjuk. A cél az, hogy releváns hirdetéseket tegyünk közzé az egyéni felhasználók számára (pl. Google Ads, Facebook Ads), valamint aktivitásra buzdítsuk őket, ez pedig még értékesebbé teszi weboldalunkat.
Az adatok névtelen formában való gyűjtésén és jelentésén keresztül a statisztikai cookie-k segítenek a weboldal tulajdonosának abban, hogy megértse, hogyan lépnek interakcióba a látogatók a weboldallal.
A személyre szabáshoz használt cookie-k segítségével olyan információkat tudunk megjegyezni, amelyek megváltoztatják a weboldal magatartását, illetve kinézetét.