Kérdés esetén keressen bennünket telefonon +3662549908 vagy info@caxtool.hu e-mail címen

Caxtool
Kategóriák
Caxtool
  • Kategóriák
    • Aluprofilok, gépépítő elemek, kötőelemek
    • Lineáris technika, tengelyek, profilsínek
    • Gumiáruk, élvédők
    • Csavarok
    • 3D nyomtató alkatrészek
    • Filament
    • 3D Nyomtatók
    • Elektronikai alkatrészek
    • Openbuilds V-slot
    • Lézergépek és alkatrészek
    • Elszívó és tisztító berendezések
  • Szállítás
  • Viszonteladóknak
  • Karrier
  • Blog,Tippek
  1. Lineáris csapágy, csúszka
  1. Lineáris technika, tengelyek, profilsínek
  2. Lineáris csapágy, csúszka

LMKP12UU peremes lineáris csapágy

Cikkszám: 
MBNS03146
LMKP12UU peremes lineáris csapágy
5 881 Ft

(4 630 Ft + 27% ÁFA)

Cikkszám:
MBNS03146
Letölthető 3d modell:

Típus:
LMKP..UU
Belső átmérők:
12mm
Nincs raktáron
Saját raktáron
0 db
Raktáron lévő termékeinket 1-2 munkanap alatt kézbesítjük!
Termék leírás

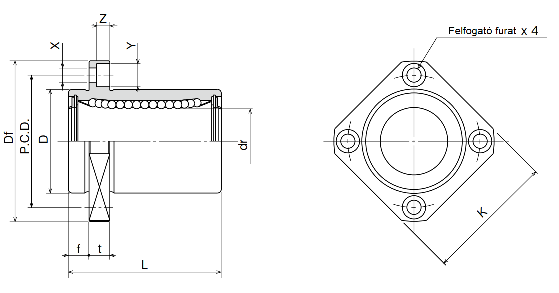
Specifikáció:
Típus: LMKP
Perem típusa: Négyzet peremes
Méretszabvány: JIS - Japán szabvány szerint
Hosszkivitel: Szimpla - Standard
d - Belső átmérő: 012 mm
Belső átmérő tűrése: 0/-0,009 mm
D - Külső átmérő: 021 mm
Külső átmérő tűrése: 0/-0,016 mm
L - Teljes hossz: 030 mm
Teljes hossz tűrése: 0/-0,2 mm
f - Illesztőváll hossza: 6 mm
Df - Perem átmérő: 42mm
K - Perem lapolás: 32 mm
t - Perem vastagság: 6 mm
PCD - Perem furatosztókör: 32 mm
Felfogató furat: 4,5 x 7,5 x 4,1 mm
Előfeszítés: Standard
Elrendezés: Standard
Excentricitás: 0.012 mm
Golyósorok száma: 4 db
Alkalmazhatósági hőmérséklet: -20 / +80 °C
Statikus terhelés: 00784 N
Dinamikus terhelés: 00510 N


Kiegészítő termékek
Hasonló termékek
Vásárlói fiók
  • Belépés
  • Regisztráció
  • Profilom
  • Kosár
  • Kedvenceim
Információk
  • Általános szerződési feltételek
  • Adatkezelési tájékoztató
  • Visszaküldési és Visszatérítési szabályzat
  • Fizetés
  • Szállítás
  • Elérhetőségek
  • Impresszum
  • Karrier
Caxtool Kft.
  • 6791 Szeged, Dorozsmai út 157.
  • +3662549908
  • info@caxtool.hu
  • youtube

Árukereső.hu
argep.hu
sixpayment
paypal
simplepay_hu_v2
  • Aluprofilok, gépépítő elemek, kötőelemek
  • Lineáris technika, tengelyek, profilsínek
  • Gumiáruk, élvédők
  • Csavarok
  • 3D nyomtató alkatrészek
  • Filament
  • 3D Nyomtatók
  • Elektronikai alkatrészek
  • Openbuilds V-slot
  • Lézergépek és alkatrészek
  • Elszívó és tisztító berendezések
  • Szállítás
  • Viszonteladóknak
  • Karrier
  • Blog,Tippek
Nyelv váltás
  • en
  • hu
  • ro
  • sk
  • si
  • at
  • de
  • cz
  • hr
  • pl
  • nl
  • fr
  • dk
  • it
  • ie
  • es
  • gr
  • pt
  • fi
  • mt
Pénznem váltás
Belépés
Regisztráció
Adatkezelési beállítások
Weboldalunk az alapvető működéshez szükséges cookie-kat használ. Szélesebb körű funkcionalitáshoz (marketing, statisztika, személyre szabás) egyéb cookie-kat engedélyezhet. Részletesebb információkat az Adatkezelési tájékoztatóban talál.
A működéshez szükséges cookie-k döntő fontosságúak a weboldal alapvető funkciói szempontjából, és a weboldal ezek nélkül nem fog megfelelően működni. Ezek a sütik nem tárolnak személyazonosításra alkalmas adatokat.
A marketing cookie-kat a látogatók weboldal-tevékenységének nyomon követésére használjuk. A cél az, hogy releváns hirdetéseket tegyünk közzé az egyéni felhasználók számára (pl. Google Ads, Facebook Ads), valamint aktivitásra buzdítsuk őket, ez pedig még értékesebbé teszi weboldalunkat.
Az adatok névtelen formában való gyűjtésén és jelentésén keresztül a statisztikai cookie-k segítenek a weboldal tulajdonosának abban, hogy megértse, hogyan lépnek interakcióba a látogatók a weboldallal.
A személyre szabáshoz használt cookie-k segítségével olyan információkat tudunk megjegyezni, amelyek megváltoztatják a weboldal magatartását, illetve kinézetét.